Profile Pictureprodigi
$25.99

Reactor design, process design, simulation and pinch analysis for styrene production process from ethylene and benzene

Add to cart

Reactor design, process design, simulation and pinch analysis for styrene production process from ethylene and benzene

$25.99

A case study as an introduction to the Aspen PLUS and Aspen Energy Analyzer softwares.

A good file for introducing the design of chemical processes.

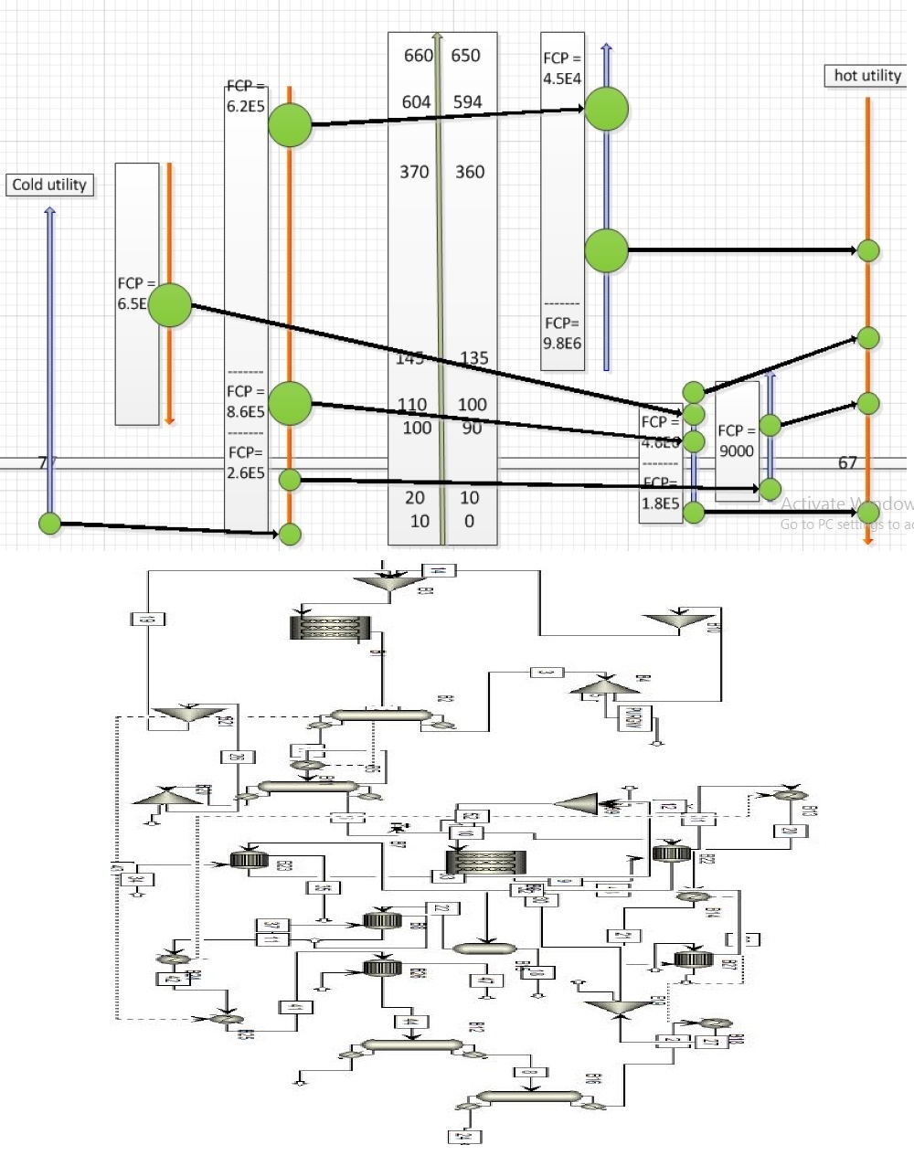
Introduction to the heat ex-changer network design by pinch method.

All parts of designing a process in the oil, gas and petrochemical industries are carried out on styrene production process.


Design of styrene production process

The general steps in process design are as follows:

- Finding the different routes of synthesis of the desired substance.

- Choosing the best route based on energy and economic considerations.

- Finding kinetics of reactions and determining optimal conditions for reactor function.

- Modeling and simulation the reactor system and determining the reactor output conditions (using Aspen PLUS).

- Selecting the best separation sequence method and designing the separation system to separate the main product from by products at the reactor outlet (Using Aspen PLUS).

- Determine the streams that require heating or cooling and the design of the heat ex-changer network.

- Determine pinch line and break loops in the initial design of the heat ex-changer network (using the Aspen Energy Analyzer).

- Apply the final network of heat ex-changers to the simulated file in Aspen PLUS.

In this project, the above steps have been applied to the styrene production process (one of the most important petrochemical products).

This product contains [.DOCX and .PDF] files (49 pages).

Add to cart
Size
3.63 MB
Powered by